解決方案
產品中心
聯系我們
深圳市東么川伺服控制技術有限公司
電話:13316379101
郵箱:1355229533@qq.com
地址:深圳市龍華區民治街道樟坑社區青創城A棟B502
57三相步進電機-57三相步進電機接線圖、參數表
發布時間:2020-08-10 09:28:12

57三相步進電機參數表
| 項目 | 技術參數 |
| 步距角 | 1.2° |
| 步距角精度 | ±5%(整步,空載) |
| 電阻精度 | ±10%(@20°) |
| 電感精度 | ±20%(1KHz) |
| 溫升 | 80 ℃ Max.(額定電流,2相通電) |
| 環境溫度 | -20℃~﹢50℃ |
| 絕緣電阻 | 100MΩMin.500VDC |
| 耐壓 | 500VAC一分鐘 |
| 徑向間隙 | 0.02mmMax.(450g負載) |
| 軸向間隙 | 0.08mmMax.(450g負載) |
| 徑向最大負載 | 75N(距法蘭面20mm) |
| 軸向最大負載 | 15N |
57三相步進電機型號參數:
| 型號 |
步距角 (度) |
額定電壓 (V) |
額定電流 (A) |
相電阻 (Ω) |
相電感 (mH) |
保持轉矩 (N.M) |
轉子慣量 (g.c㎡) |
機身長 (mm) |
軸徑 (mm) |
引線數 |
| 573S05 | 1.2 | 6.76 | 5.2 | 13 | 1.4 | 0.45 | 110 | 42 | 6 | 6 |
| 573S09 | 1.2 | 4 | 5.6 | 0.77 | 1.8 | 0.9 | 300 | 56 | 6OR8 | 6 |
| 573S15 | 1.2 | 6 | 6.8 | 1.05 | 2.4 | 1.5 | 480 | 79 | 8 | 6 |
注:以上為常用電機型號,其它型號可根據客戶要求定制
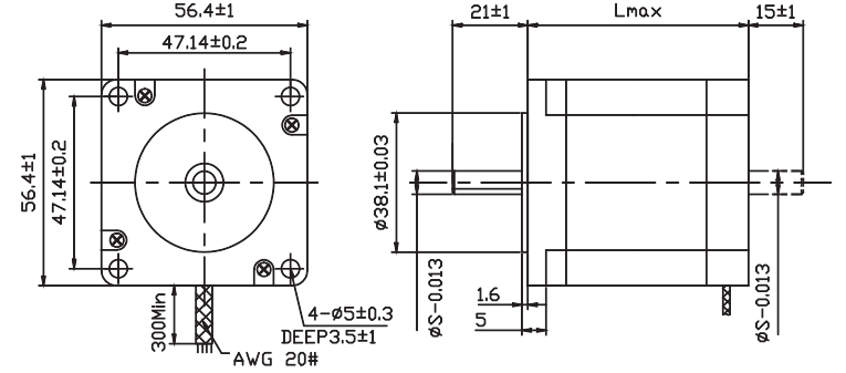
57三相步進電機外形尺寸

產品推薦:兩相步進電機
產品推薦:無刷電機
產品推薦:兩相步進驅動器
產品推薦:直流無刷驅動器





























地址 ADDRESS