深圳市東么川伺服控制技術有限公司
電話:13316379101
郵箱:1355229533@qq.com
地址:深圳市龍華區民治街道樟坑社區青創城A棟B502
閉環步進電機驅動器DHS882說明書、參數設置
發布時間:2021-08-26 07:32:19
閉環步進電機驅動器 DHS882產品特征:
采用全新32位電機控制專用DSP芯片;
◆ 采用先進的矢量型閉環控制技術 ;
◆ 具有梯形波測試功能 ;?靜態電流和動態電流可以任意設置(0---8.2A范圍內);
◆ 可驅動86系列混合伺服電機;光耦隔離差分信號輸入;
◆ 脈沖響應頻率最高可達200KHZ;· 細分任意設定(1---512范圍內);
◆ 具有過流、過壓和跟蹤誤差超差等保護 ;?
閉環步進電機驅動器 DHS882概述?:
DHS882 是一款新型簡易伺服驅動器,采用最新專用電機控制DSP芯片和應用矢量型閉環控制技術,從而徹底克服開環步進電機丟步的問題,同時也能明顯提升電機的高速性能、降低電機的發熱程度和減小電機的振動,從而提升機器的加工速度和精度,降低機器的能耗。在電機連續過載時,驅動器會輸出報警信號,具有與交流伺服系統同樣的可靠性。安裝尺寸小性價比高?。
閉環步進電機驅動器 DHS882示意圖:


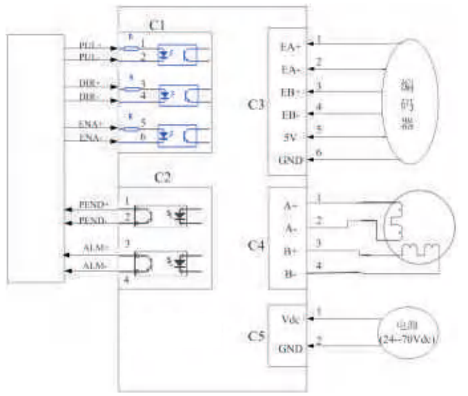
閉環步進電機驅動器 DHS882驅動器接口與接線介紹?
1)電機和電源輸入端口?

2)編碼器信號輸入端口?

3)控制信號端口?


閉環步進驅動器 DHS882撥碼開關設定:

閉環步進驅動器 DHS882驅動器參數設置?:
DHS882 混合伺服驅動器的參數設置必須通過PC機的 RS232串行通訊口,采用專用調試軟件完成參數設置,驅動器內部存有一套對應電機最佳的默認出廠配置參數,用戶只須按照具體使用情況調整驅動器內部細分數即可,詳細使用情況請參看DMC2 調試軟件的使用說明。 具體 可調整參數及功能見下表∶?

產品推薦:兩相步進電機
產品推薦:無刷電機
產品推薦:兩相步進驅動器
產品推薦:直流無刷驅動器





























地址 ADDRESS